
德国进口的MZR-4609EX防爆型齿轮泵适用于易燃易爆等潜在爆炸危险性的驱动器和场所,符合ATEX防爆认证,更加精密安全。
mzr-4609EX防爆型齿轮泵是属于德国进口HNPM品牌高精度泵产品,不仅符合ATEX防爆认证,而且具有广泛的粘度范围,使用范围广,寿命长。

1、ATEX防爆认证:符合欧盟指令 94/9/EEC
2、广泛的粘度范围:0.3 – 5,000 mPas,适合于连续输送和离散的剂量的水状溶液,溶剂,油和其它粘性液体。
3、使用寿命长:采用耐磨陶瓷组件,耐用持久。
4、低脉动输送, 低剪切应力:旋转式微型环形齿轮技术
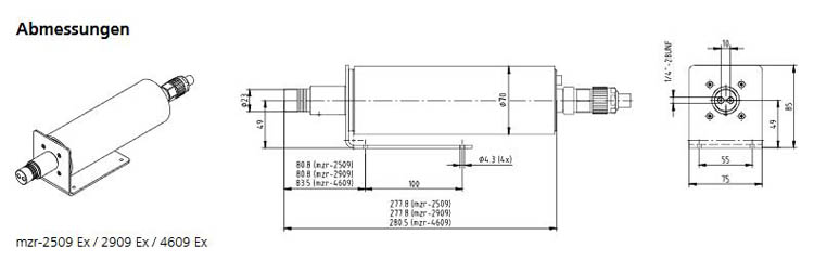
5、紧凑小尺寸:长度 < 295 mm, 包括防爆电机
mzr-4609EX防爆型齿轮泵配备具有防爆认证、可用于有潜在爆炸危险性的驱动器,安全可靠,应用领域非常广泛,包括化学加工、工业工程与设备工程、包装、医药行业、小型工厂的技术、喷涂技术、胶黏剂配制、油墨与涂料的用量、真空应用等。
隔热模块:泵头和驱动器的热耦

流体密封组件:与空气或湿气接触的敏感输出液体

双壳加热模块:泵头在-20°C至150°C的范围内加热流体

S-HD-KL 可编程控制器:适用于工业生产和工艺技术


